Čo je to desorpčný elektrolytický systém a prečo je nevyhnutný pre modernú ťažbu zlata

2026-04-21 - Nechajte mi správu

TheDesorpčný elektrolytický systémje kľúčovou technológiou v modernej ťažbe zlata, najmä v procesoch uhlíka v buničine (CIP) a vylúhovania uhlíka (CIL). Tento blog skúma, ako systém funguje, jeho komponenty, výhody a prečo sa stal štandardom v efektívnom získavaní zlata. Zdôrazňujeme tiež, ako sa spoločnostiam páčiaEPICsú hnacím motorom inovácií v tejto oblasti. Na konci budete mať komplexné pochopenie toho, ako tento systém zvyšuje produktivitu, znižuje náklady a zlepšuje mieru obnovy.

Desorption Electrolytic System

Obsah


Čo je to desorpčný elektrolytický systém

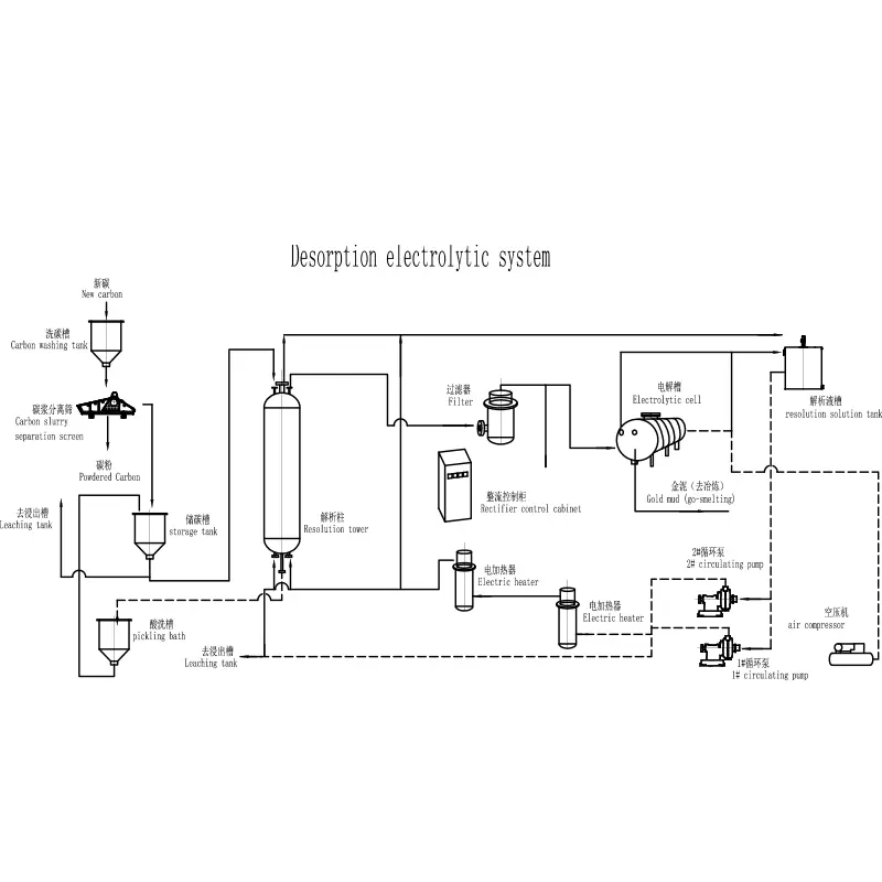
A Desorpčný elektrolytický systémje pokročilý systém obnovy zlata používaný na extrakciu zlata z aktívneho uhlia. Široko sa používa v banských operáciách, kde sa zlato absorbuje na častice uhlíka počas procesu lúhovania.

  • Desorpcia: Odstraňuje zlato z uhlíka pomocou vysokoteplotných a vysokotlakových roztokov
  • Elektrolýza: Obnovuje zlato z roztoku na katódy
  • Systém uzavretej slučky: Zaisťuje účinnosť a minimálne straty

Tento systém je nevyhnutný na zlepšenie efektívnosti získavania a znižovanie prevádzkových nákladov, vďaka čomu je kľúčovou súčasťou moderných závodov na spracovanie zlata.


Ako funguje desorpčný elektrolytický systém

Princíp činnosti aDesorpčný elektrolytický systémzahŕňa dve hlavné etapy:

  1. Fáza desorpcie:Uhlík naplnený zlatom sa spracuje horúcim alkalickým roztokom kyanidu, čím sa uvoľnia ióny zlata.
  2. Štádium elektrolýzy:Roztok bohatý na zlato prechádza cez elektrolytický článok, kde sa zlato usadzuje na katódach z oceľovej vlny.

Proces zaisťuje vysokú efektivitu a umožňuje nepretržitú prevádzku, preto sa systémy od firiem páčiaEPICsú široko používané v priemyselných aplikáciách.


Hlavné komponenty systému

Komponent Funkcia
Desorpčný stĺpec Obsahuje aktívne uhlie a uľahčuje odstraňovanie zlata
Elektrolytický článok Obnovuje zlato elektrolýzou
Výmenník tepla Udržuje požadovanú teplotu
Filtračný systém Odstraňuje nečistoty z roztoku
Kontrolný systém Automatizuje prevádzku a monitoruje parametre

Každý komponent zohráva dôležitú úlohu pri zabezpečovaní efektívneho a konzistentného fungovania systému.


Technické výhody a vlastnosti

  • Vysoká miera návratnosti zlata (až 98%)
  • Nízka spotreba energie
  • Automatizovaná prevádzka pre zníženie nákladov na pracovnú silu
  • Kompaktný dizajn pre úsporu priestoru
  • Šetrné k životnému prostrediu s minimálnymi emisiami

Výrobcovia majú radiEPICneustále optimalizovať tieto systémy, aby vyhovovali vyvíjajúcim sa požiadavkám priemyslu, čím sa zabezpečí lepší výkon a spoľahlivosť.


Aplikácie v spracovaní zlata

TheDesorpčný elektrolytický systémje široko používaný v:

  • Závody na ťažbu zlata
  • Operácie CIP (Carbon-in-Pulp).
  • Procesy CIL (Carbon-in-Leach).
  • Obnova hlušiny zlata

Vďaka svojej všestrannosti je vhodný ako pre priemyselnú ťažbu vo veľkom meradle, tak aj pre menšie prevádzky, ktoré hľadajú zlepšenie efektívnosti.


Porovnanie s tradičnými metódami

Funkcia Desorpčný elektrolytický systém Tradičné metódy
Efektívnosť Vysoká Mierne
automatizácia Plne automatizované Manuálne alebo poloautomatické
náklady Nižšie dlhodobé náklady Vyššie prevádzkové náklady
Vplyv na životné prostredie Nízka Vyššie

Je zrejmé, že moderný systém poskytuje významné výhody oproti tradičným technikám získavania zlata.


Sprievodca výberom pre kupujúcich

Pri výbere aDesorpčný elektrolytický systém, zvážte nasledujúce faktory:

  • Kapacita spracovania
  • Úroveň automatizácie
  • Energetická účinnosť
  • Reputácia výrobcu (napr. EPIC)
  • Popredajná podpora

Výber správneho systému zaisťuje dlhodobý prevádzkový úspech a maximálnu návratnosť investícií.


Údržba a prevádzkové tipy

  • Pravidelne kontrolujte potrubia a ventily
  • Sledujte úrovne teploty a tlaku
  • Pravidelne čistite elektrolytické články
  • Opotrebované komponenty okamžite vymeňte
  • Prísne dodržujte pokyny výrobcu

Správna údržba výrazne predlžuje životnosť systému a zabezpečuje konzistentný výkon.


FAQ

1. Aký je hlavný účel desorpčného elektrolytického systému?

Jeho hlavným účelom je efektívne získavať a získavať zlato z aktívneho uhlia.

2. Aký efektívny je systém?

Väčšina systémov dosahuje mieru obnovy zlata nad 95 % v závislosti od prevádzkových podmienok.

3. Je systém šetrný k životnému prostrediu?

Áno, moderné systémy sú navrhnuté tak, aby minimalizovali emisie a redukovali chemický odpad.

4. Dá sa to prispôsobiť?

Áno, spoločnosti ako EPIC ponúkajú prispôsobiteľné riešenia na základe požiadaviek na spracovanie.

5. Ktoré odvetvia používajú tento systém?

Predovšetkým v odvetví ťažby zlata, ale aj v aplikáciách získavania drahých kovov.


Záver

TheDesorpčný elektrolytický systémpredstavuje prelom v technológii obnovy zlata, ktorý ponúka bezkonkurenčnú efektivitu, spoľahlivosť a ekologický výkon. S neustálym pokrokom od lídrov v tomto odvetví, ako jeEPICTento systém sa stáva čoraz dôležitejším pre moderné banské operácie. Ak hľadáte optimalizáciu procesu ťažby zlata a zlepšenie ziskovosti, investícia do vysokokvalitného systému je rozumnou voľbou.Kontaktujte násdnes sa dozviete viac o tom, ako môžeme poskytnúť riešenia šité na mieru vašim potrebám.

Odoslať dopyt

X
Súbory cookie používame, aby sme vám poskytli lepší zážitok z prehliadania, analyzovali návštevnosť stránok a prispôsobili obsah. Používaním tejto stránky súhlasíte s naším používaním cookies. Zásady ochrany osobných údajov